System Integration Overview
Installation information
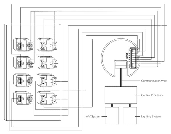
Integrating Meljac Push Buttons & Switches with Lighting Control Systems
Here is our guide to understanding our push button and toggle switch keypads and how they integrate with leading control systems such as Crestron, Lutron HomeWorks and Vantage.
WHY USE MELJAC? THE BENEFITS OF CUSTOM CONTROLS
- Handcrafted Elegance: our hardware boasts exquisite craftsmanship and timeless designs that are brought to life by skilled artisans using traditional methods. The result of this process is apparent the moment you see and feel a Meljac product.
- Customized Controls: because every Meljac product is designed and crafted for each specific client, we offer an unmatched responsiveness to your aesthetic and control needs.
- Wide-ranging Integration: designed with compatibility in mind, Meljac push buttons seamlessly connect with leading lighting control systems, simplifying the setup process.
- Reliable Performance: our push buttons and toggles are mechanical switches made of robust physical parts that do not wear out as quickly as the delicate components found in electronic switches. This simplified design and durable construction ensures long-lasting operation.
- Maximum Controls / Minimal Space: the compact size of our push buttons and toggles allows you to efficiently combine many controls on a reduced form factor.
SWITCH DETAILS: MELJAC PUSH BUTTON & TOGGLE OPTIONS
We use momentary push buttons (normally-open) and toggle switches (2-position / return-to-center) in our keypad controls which allow for a short or sustained signal to be sent to the control system via the system manufacturer’s contact closure interface. This signal is then programmed to trigger a specific action such as turning lights on or off, setting a preset light level, or cycle dimming through a press and hold.
CONTACT CLOSURE INTEGRATION WITH PANELIZED LIGHTING CONTROLS
For most systems, the contact closure interface is designed to be small enough to fit inside the wallbox of the Meljac keypad. The interface then connects directly to the system’s communication wire, allowing the project to be wired in the same way it would for the system’s native keypads.
Alternatively, some projects may choose to remotely locate or use panel-based contact closure interfaces.

WIRING: MELJAC SWITCHES WITH CONTACT CLOSURE INTERFACES
Switch Details:
- BP: Momentary Push Buttons = 1 contact closure
- INV: Momentary Toggles (returns-to-center) – 2 contact closures (up + down)


SYSTEMS COMPATIBLE WITH MELJAC KEYPAD CONTROLS
- Contact Closure Interface: C2N-UN-I8I0 (8 input leads + 8 output leads)
- Project Wiring: Crestron Communication Wire
- Backlighting/illumination: possible using outputs from contact closure interface
- Contact Closure Interface: QSE-CE-WCI (8 input leads + common)
- Wiring: Lutron Communication Wire
- Backlighting: only possible with remote power supply and wiring.
- Contact Closure Interface: CIS10-DIN (10 input leads / Panel-Based)
- Wiring: Contact wire runs should be limited to 250 feet (76.2 meters) for each wire run using a minimum of 20AWG gauge wire. Stranded wire recommended.
- Backlighting/illumination: Remote power supply and wiring required.
HOW MELJAC KEYPADS PROVIDE DIMMING, SCENE AND SHADE CONTROL
Recommended dimming/control logics for lighting and shade loads, rooms or presets:

| Action | Function |
||
| Toggle Click Up | On or open |
||
| Toggle Hold Up | Raise |
||
| Toggle Raise Down | Lower |
||
| Toggle Click Down | Off or Close |

| Action | Function |
||
| Button Click One | On or open |
||
| Button Click Two | Off or close |
||
| Button Hold One | Cycle dim down or lower |
||
| Button Hold Two | Cycle dim up or raise |
the shades.

| Action | Function |
||
| Button Click One | On or open |
||
| Button Click Two | Off or close |
||
| Toggle Hold | Raise |
||
| Toggle Hold Down | Lower |

| Action | Function |
||
| “Raise” push button hold | Raises last-triggered light or shade |
||
| “Lower” push button hold | Lowers last-triggered light or shade |

| Action | Function |
||
| “Raise” toggle hold up | Raises last-triggered light or shade |
||
| “Lower” toggle hold down | Lowers last-triggered light or shade |
BACK BOX REQUIREMENTS FOR MELJAC KEYPADS
Meljac back boxes have been designed with enough space to allow at least one contact closure interface to sit beneath our push buttons and toggles. For larger plates with more push buttons and toggles, especially those with custom combinations, you should always verify prior to purchasing.
For additional information regarding Meljac back boxes and plate sizes, please visit our back box page.
- Confirm that the appropriate back box is used for the corresponding Meljac plate size. See Plate Size and Back Box Guide for more information.
- Back box must be mounted at a level position. Plate will not allow for leveling adjustment.
- Back box should be installed flush or recessed up to 1” from the finished wall surface. They cannot be proud of the finished wall surface.
- Back box can be mounted in either a horizontal or vertical orientation, depending upon the plate specification on your order. Be sure to check the order details prior to installing the back box.
KEYPAD OPTIONS FOR BACKLIT ENGRAVINGS AND LED FEEDBACK
HOW TO PURCHASE MELJAC KEYPADS
system integrator. This helps ensure a successful project delivery because the integrator is responsible for the programming, installation and
servicing of the control system that includes the Meljac keypad controls.
For project integrators who have not worked with Meljac products before, Meljac North America provides personalized project support. We
understand that working with a new product requires learning and education, and we will always strive to answer any questions, share best
practices and assist with project coordination.
The best projects come from successful preparation and teamwork in the design process. Meljac North America has extensive experience working with design, construction, and integration teams to ensure a smooth design coordination and project integration process.
Please contact Meljac North America with any design or integration questions.
BACK BOX OVERVIEW
While some of our products are designed to be used with third-party back boxes, in most cases a Meljac back box is required. In other instances, a Meljac back box is strongly recommended because the larger box opening can accommodate more components and/or provide better spacing. All products and plate sizes that are not 82 x 117 mm require the use of a proprietary back box, which can be purchased directly from Meljac North America. We stock proprietary back boxes, allowing them to be shipped and delivered anywhere in the USA or Canada within 5-7 business days from purchase confirmation.
If third-party back boxes have already been installed on a project that is using Meljac then plate configurations can be designed with those spatial limitations in mind.
The appropriate back box that is needed will be determined by the plate size that is required, along with the installation conditions. The factors that must be considered are:
- Product collection + switch type (keypads) – Differences in internal component dimensions determine how many switches can fit on any given plate size and how they can be arranged:
- Ellipse and Solaris collections push buttons and toggles are larger in size than Classique push buttons and toggles.
- Classique push buttons are smaller than Classique toggles and typically you can fit more push buttons on a plate than toggles
- Port types (outlet plates) – in general, power receptacles and charging ports require more plate space than low-voltage ports, and when combining different types of components you may also need to account for dividing low-voltage components from line-voltage components.
- Configuration of components on the plate – whether the components can be configured in a single column or arranged in separate columns is related to the plate size and components being used. As an example, we offer various plate sizes that can accommodate three Classique toggle switches. However, the plate size will dictate the configurations that are possible or required. Below are three examples of three different plate sizes and configurations, all with three toggles.



SCREW TYPES
Visible screw plate construction consists of a single plate finished plate that contains the components and screws directly into the back box.
Hidden screw plate construction utilizes an aluminum mounting plate to contain the components and mount into the back box. The finished cover plate (visible after installation) then snaps into the aluminum mounting plate via plastic fasteners.
Since the aluminum mounting plate is machined according to the specified back box, it is important that your back box type is confirmed at the time of purchase when ordering plates with hidden screws in order to ensure successful installation.



BACK BOX INSTALLATION
NEW CONSTRUCTION
- Confirm that the appropriate back box is used for the corresponding Meljac plate size and plate orientation. Meljac back boxes can be mounted in both horizontal and vertical orientations depending on the plate specification.
NOTE: For 82 x 82 mm plates, the MELUS8282R ring adapter should always be mounted with the screws in a horizontal orientation. [View Drawing] - Meljac metal back boxes include brackets to attach to wood stud for new construction.
- Back box must be mounted at a level position. Most plate constructions do not allow for any leveling adjustment.
- It is recommended that the back box is installed with a minimum recess of ⅛” and a maximum recess of 1” from the finished wall surface. If the back box is recessed more than 1” then hex standoffs will be required to extend screw length (keypads only).
- Boxes must never be proud of the finished wall surface.
CUT-IN STYLE FOR EXISTING CONSTRUCTION
KEYPADS
For projects where third-party back boxes have already been installed or where the configuration requires the use of standard American gang boxes, plate compatibility and back box specs must be confirmed prior to ordering.
Below is an overview of the different plate sizes and back box options for standard profile Meljac keypads.
KEYPADS – STANDARD WIDTH (82 mm)
| Plate Size (mm) | 82 x 82 x 3 |
82 x 117 x 3 |
82 x 144 x 3 |
82 x 207 x 3 |
82 x 269 |
| Plate Size (inches) | 3.2 x 3.2 x .11 |
3.2 x 4.6 x .11 |
3.2 x 5.7 x .11 |
3.2 x 8.1 x .11 |
3.2 x 10.6 x .11 |
| Metal / New Construction Box | MELUS8282R (Ring Adapter for 4S/1900 Box) |
||||
| Plastic / Cut-in Style Box |
| Max. Push Buttons | 4 |
6 |
8 |
12 |
16 |
| Max. Toggles | 4 |
4 |
8 |
10 |
14 |
| Max. Push Buttons | 4 |
6 |
8 |
12 |
16 |
| Max. Push Buttons | 2 |
4 |
6 |
8 |
12 |
| Max. Toggles | 2 |
4 |
6 |
8 |
12 |
| Max. Push Buttons | 2 |
4 |
6 |
N/A |
N/A |
| Max. Toggles | 2 |
4 |
6 |
N/A |
N/A |
| Max. Push Buttons | N/A |
6 |
N/A |
N/A |
N/A |

- Plate sizes given are for vertical orientation but are also available in a horizontal orientation.
- If third-party back boxes are already installed on a project, please refer to the third-party back box section to confirm compatibility
- The maximums provided on this table are based on metal back boxes. Plastic cut-in styles will reduce the maximum number switches on 82 x 82 mm and 82 x 144 mm plates.
- Due to the rounded corners of the Solaris collection, plate sizes are 84 x 84 mm, 84 x 120 mm, and 84 x 144 mm
KEYPADS / SLIM (38 mm)
Masonry style boxes are also available. However, we generally do not suggest using these boxes due to their limited depth and the relative infrequency of masonry construction.
Below is a general overview of the standard plate sizes and back box options for slim profile Meljac keypads.
| Plate Size (mm) | 38 x 91 |
38 x 133 |
38 x 144 |
38 x 175 |
|
| Plate Size (inches) | 1.5 x 3.58 x .11 |
1.5 x 5.24 x .11 |
1.5 x 5.7 x .11 |
3.2 x 8.1 x .11 |
|
| Plastic / New Construction Box (3D Printed) | N/A |
||||
| Plastic / Masonry Style Box | N/A |
| Max. Push Buttons | 2 |
4 |
4 |
5 |
|
| Max. Toggles | 1 |
3 |
3 |
4 |
| Max. Push Buttons | 2 |
4 |
4 |
5 |
| Max. Push Buttons | 1 |
2 |
3 |
3 |
|
| Max. Toggles | 1 |
2 |
3 |
3 |
WALL OUTLETS
Third-party back boxes can also be used for our 82 x 117 and 117 x 82 mm plate sizes, which are the equivalent of an North American single-gang (duplex) outlet plate. Refer to the Third-Party Back Box section for more information.
Our single-gang plate size (82 x 117 // 3.2” x 4.6” or 117 x 82 mm // 4.6” x 3.2”) will work with standard US single-gang boxes when ordered with visible screws. When using plates with hidden screws this plate size can also be ordered for third-party back boxes. However, this must be specified at the time of ordering and select configurations are not possible when using third-party back boxes due to their smaller cutout opening.
Below is an overview of the plate sizes and back box options for Meljac wall outlets.
| Plate Size (mm) | 82 x 82 x 3 |
82 x 117 x 3 |
82 x 144 x 3 |
82 x 207 x 3 |
82 x 269 |
| Plate Size (inches) | 3.2 x 3.2 x .11 |
3.2 x 4.6 x .11 |
3.2 x 5.7 x .11 |
3.2 x 8.1 x .11 |
3.2 x 10.6 x .11 |
| Metal / New Construction Box | MELUS8282R (Ring Adapter for 4S/1900 Box) |
||||
| 3rd Party Box Compatibility | No |
Yes |
No |
No |
No |
| Max. Number of Power or Charging Ports | 1 |
2 |
3 |
4 |
5 |
| Max. Number of Low Voltage Ports | 2 |
4 |
6 |
10 |
14 |

- Plate sizes given are for vertical orientation but are also available in a horizontal orientation.
- Using third-party back boxes can limit certain port options and configurations and requires component spacing to be reduced.
FLOOR OUTLETS
Below is an overview of the plate sizes and back box options for Meljac floor outlets.
| Format | Single – Round |
Single – Square |
Double |
| Plate Size (inches) | 100D x 14 |
100 x 100 x 14 |
180 x 100 x 14 |
| Plate Size (inches) | 3.94 x .55 |
3.94 x 3.94 x .55 |
7.09 x 3.94 x .55 |
| Metal / New Construction Box | |||
| 3rd Party Box Compatibility | No |
No |
No |
| Max. Number of Power or Charging Ports | 1 |
1 |
2 |
| Max. Number of Low Voltage Ports | 2 |
2 |
2/2 |

READING LAMPS
Our reading lamps are also available with hidden screws and in alternate plate sizes when using Meljac back boxes.
THIRD-PARTY BACK BOXES (117 mm plates)
The purchaser is responsible for confirming that the correct back boxes are installed and properly specified on their order.
For optimal spacing and maximum flexibility with components and configurations, we recommend using Meljac back boxes, especially with keypad controls.
Keypads and reading lamps
- Maximum cutout dimensions of 1.95” (W) x 3.44” (H)
- Minimum depth of 2.5”, unless contact closure interfaces (keypads) or transformers (reading lamps) will be remotely located.
- Employ individual tabs for the screw connections.

Wall outlets
- Maximum cutout dimensions of 1.95” (W) x 3.44” (H)
- Minimum box depth of 2”

overview for 117 mm plate options for third-party back boxes:
| Product Category | Plate Size (mm) |
Back Box Reference |
Back Box Opening (inches) |
Back Box Openings (mm) |
Component Spacing (center-center) |
Example Part Numbers |
| Keypads, Wall Outlets, Reading Lamps | 82 x 117 // 117 x 82 |
MELUS11782 |
2.48 x 3.73 |
63 x 94.5 |
32 mm |
Meljac – MELUS11782 |
| Keypads, Wall Outlets, Reading Lamps | 82 x 117 // 117 x 82 |
U4 |
1.95 x 3.44 |
49.5 x 87.3 |
30 mm |
Hubbell-Raco – 772 |
| Wall Outlets | 82 x 117 // 117 x 82 |
U3 |
1.81 x 2.87 |
46 x 73 |
28 mm |
Carlon – B120R |